连续式混合机是指不同物料按设定好的配比连续不断地输入设备中,通过调整输送设备的速度、混合机的转速和出料速度来控制物料在筒体内的停留时间,在搅拌件的作用下达到理想混合效果而又连续出料的混合方式。
此种设备的搅拌件通常有单轴桨叶、单轴连续式螺带或者双轴桨叶式。该设备具有物料连进连出、产量大的特点。用户如需选用此种设备时需要提供详细的物料特性及产量要求,以利于我公司做正确的选型。

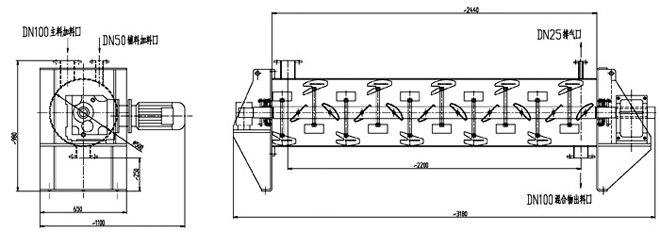
连续式混合机由机壳、转轴、搅拌器、减速机、上盖组成,壳体一侧可以配置快开门,供检修用,桨叶与轴用螺栓螺母联接,桨叶角度可调。 物料通过进料口、辅料或者添加剂通过辅料口进入混合机,电机带动混合机运转、轴上桨叶将物料翻、抛起,反向桨叶与正向桨叶使物料形成一定对流,最终桨叶形成的螺旋、将物料向出口输送、同时物料在机内被翻腾、对流、抛起,多种作用下充分混合,既满足了物料混合、又连续工作。

根据物料自身的特性、如细度、密度、适用的行业、应用不同工艺、压力、真空、温度选择不同的轴端密封形式
纯PTFE聚四氟乙烯填料密封、对开哈夫填料箱
气密封+PTFE组合形式
进口、剖分机械密封、适用食品、医药、锂电池行业
耐压、耐真空、耐高温机械密封
双轴桨叶结构图

单轴桨叶结构示图

单轴螺带结构图

| 型号 | LRB-40 | LRB-50 | LRB-60 | LRB-70 |
| 直径*长度(mm) | 40*1250 | 50*1600 | 60*1900 | 70*2400 |
| 动力配备(KW) | 5.5-7.5 | 7.5-11 | 11-15 | 15-22 |
| 处理量(M3/H) | 6-15 | 10-20 | 14-30 | 20-40 |
以上数据仅供参考、详细数据、需要提供物料特性、流量后才能确定。